2024年11月份全国各省工商业电价-必威首页登入 - 必威棋牌网址
当前位置:首页 > batway官网登录入口 > 政策相关
当前位置:首页 > 必威88体育> 政策相关

2024年11月份全国各省工商业电价

2024-10-30
浏览: 7175次
作者: admin
  • 分享

黑龙江省11月份代理购电工商业用户电价表

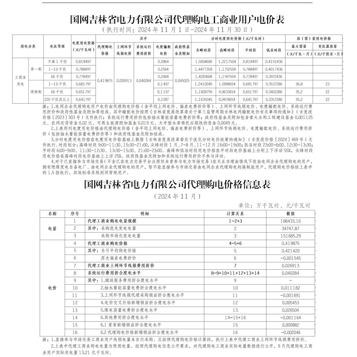
吉林省11月份代理购电工商业用户电价表

辽宁省11月份代理购电工商业用户电价表

内蒙古(蒙东)11月份代理购电工商业用户电价表


北京市11月份代理购电工商业用户电价表


天津市11月份代理购电工商业用户电价表


河北省11月份代理购电工商业用户电价表


山东省11月份代理购电工商业用户电价表

山西省11月份代理购电工商业用户电价表


江苏省11月份代理购电工商业用户电价表


上海市11月份代理购电工商业用户电价表

浙江省11月份代理购电工商业用户电价表

安徽省11月份代理购电工商业用户电价表


湖北省11月份代理购电工商业用户电价表


河南省11月份代理购电工商业用户电价表

陕西省11月份代理购电工商业用户电价表


甘肃省11月份代理购电工商业用户电价表


宁夏11月份代理购电工商业用户电价表


青海省11月份代理购电工商业用户电价表


新疆11月份代理购电工商业用户电价表

湖南省11月份代理购电工商业用户电价表

江西省11月份代理购电工商业用户电价表


福建省11月份代理购电工商业用户电价表


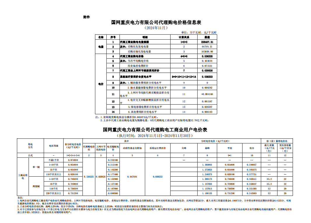
重庆市11月份代理购电工商业用户电价表


四川省11月份代理购电工商业用户电价表


广东省11月份代理购电工商业用户电价表


深圳市11月份代理购电工商业用户电价表

广西省11月份代理购电工商业用户电价表


贵州省11月份代理购电工商业用户电价表


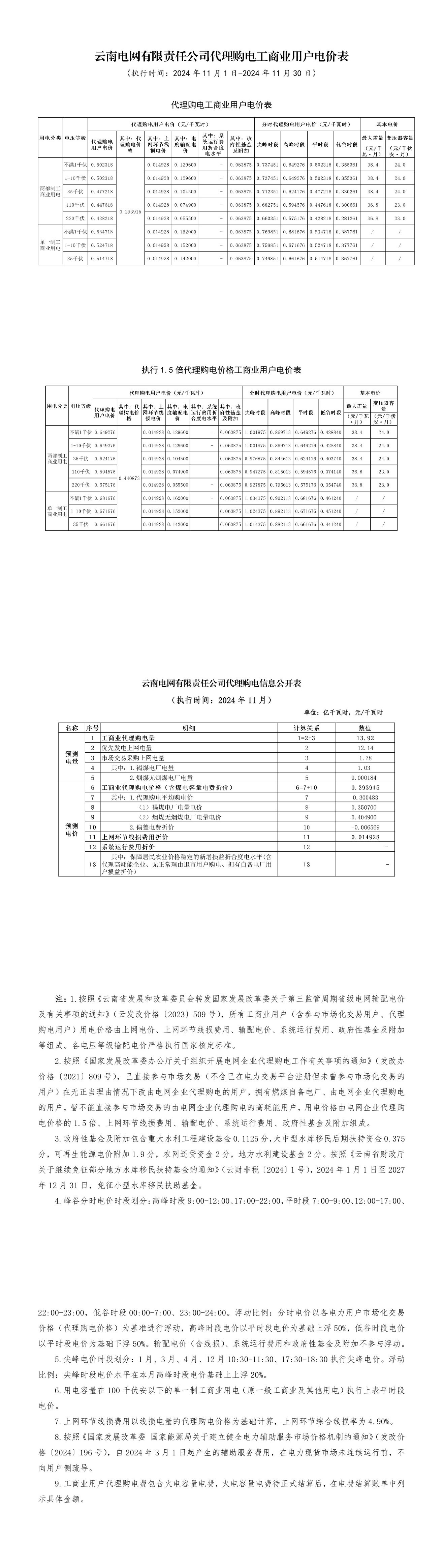
云南省11月份代理购电工商业用户电价表


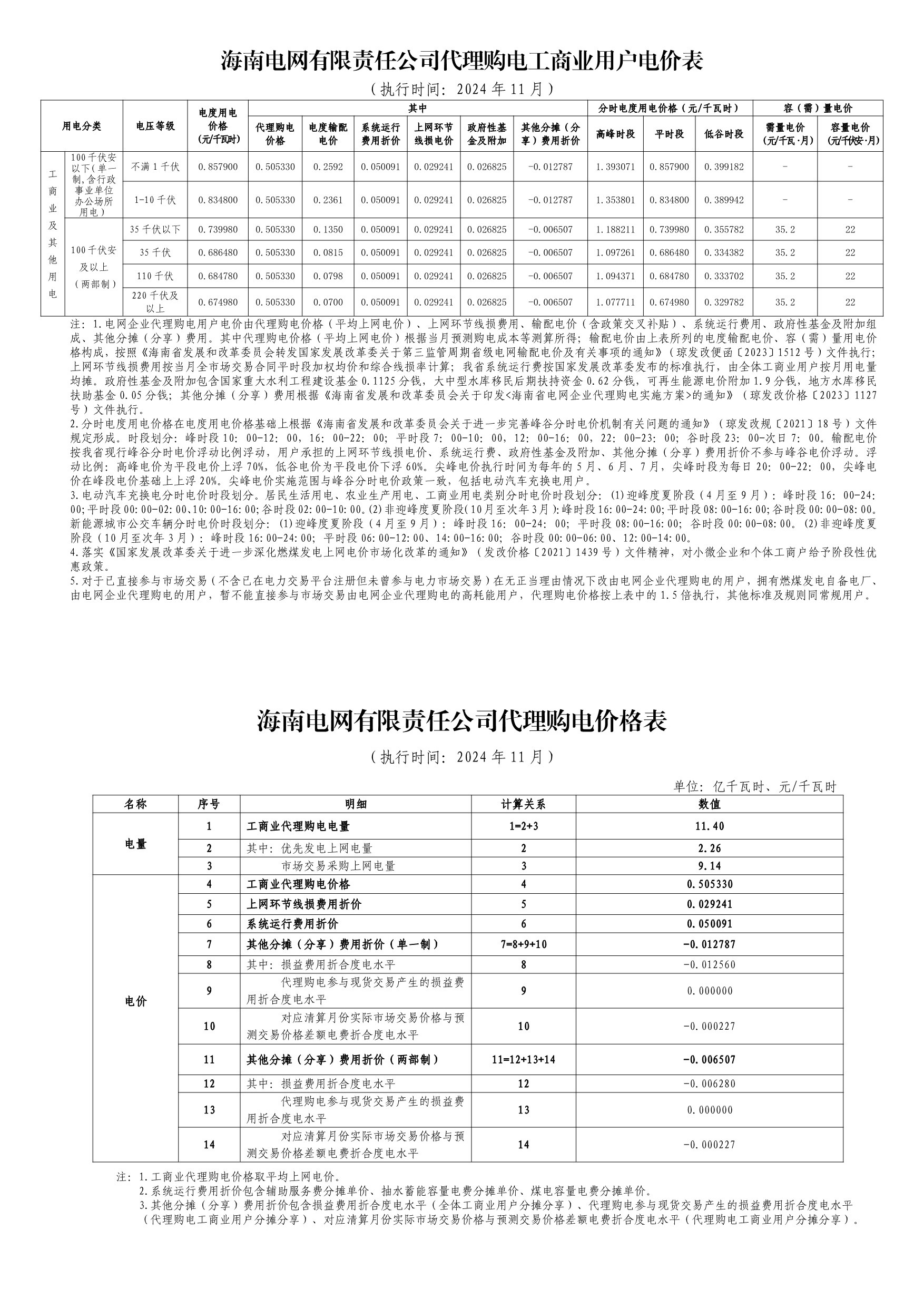
海南省11月份代理购电工商业用户电价表



版权所有 © 联系我们  地址:长沙高新开发区东方红北路601号北斗产业园A-1栋702-704  公司电话:400-853-1766  
网站ICP备案号:湘ICP备18007650号
Baidu
map